1. Startseite
  2. Schließzylinder DOM
  3. DOM ENIQ
  4. Elektronischer Schließzylinder DOM Eniq Pro V2
Art-Nr.333EE ENIQ
MarkeDOM

Elektronischer Schließzylinder DOM Eniq Pro V2

DOM
Lieferzeit: ca. 8 - 14 Arbeitstage **
24 Monate gesetzliche Gewährleistung

Elektronischer Schließzylinder DOM Eniq Pro V2

 

Eigenschaften & Vorteile:

  • Plug&Play
  • Variantenvielfalt
  • Ansprechendes Design
  • Flexibilität im Zutrittsmanagement

Schließwege

Verwendungszweck:

  • Schlüsselschalter
  • Tore
  • Verteilerschränke
  • Revisionsöffnungen

AB Grundlänge (A)30mm erhältlich

 

Technische Besonderheiten:

 

Feuerfest 90 Minuten
Wasserabweisend Ja
Patentschutz Ja
Korrosionsschutz Ja
Bohrschutz Ja
Ziehschutz Ja
Kommunikationstechnologie NFC, BLE 5.0
Eigenständige Funktion Stand-alone Anwendung Ja
Daten auf der Karte Ja
Technologie Nutzeridentifikation Mifare RFID 13.56 MHz
Akustisches Signal Nein
Optisches Signal Ja
Unterstützte Schließmedien Mifare DESFire, Mifare Classic, Mifare Plus, Mifare Ultralight, ISO 14443 A, Mifare DESfire EV1, Mifare DESfire EV2, Mifare DESfire EV3
Programmiermethoden Software, Masterkarte, Programmierkarte, USB-Schlüssel
Batterietyp CR2
Anzahl Batterien 2
Batterielaufzeit in Jahren Bis zu 3 Jahre
Batteriewarnung Visuell
Maximale Betriebstemperatur (Celsius) 65
Maximale Feuchtigkeit (%) 99
Minimale Betriebstemperatur (Celsius) -25

Zertifikate:

 

Patentschutz Ja
VdS 2156:2 Klassifikation BZ+
IP-Klasse IP65
EN 179:2008 Klassifikation Für die Verwendung in Fluchtwegen gemäß EN179 geeignet
EN 1125:2008 Klassifikation Für die Verwendung in Fluchtwegen gemäß EN1125 geeignet

 

 

Konfigurationsmöglichkeiten:

 

Färbung Oberfläche Nickel-matt
Färbung Außenknauf Edelstahl, Schwarz-hochglanz, Weiß-hochglanz, Messing
Färbung Innenknauf Nickel-matt, Schwarz-hochglanz, Weiß-hochglanz, Messing
Stromart Batterie
Speicherkapazität Ereignisse im Gerät 2000
RFID-Verschlüsselung AES-128 Bit, Crypto-1, ISO 14443A
Datenverschlüsselung XSALSA20-256 Bit, Curve 25519-256 Bit, Poly 1305-128 Bit
Betriebstemperatur (Celsius) -25° Bis 65°

 

Verwendungszweck:

  • Aufzüge / Fahrstühle

AB Grundlänge (A)30mm erhältlich

Technische Besonderheiten:

 

Feuerfest 90 Minuten
Wasserabweisend Ja
Patentschutz Ja
Korrosionsschutz Ja
Bohrschutz Ja
Ziehschutz Ja
Kommunikationstechnologie NFC, BLE 5.0
Eigenständige Funktion Stand-alone Anwendung Ja
Daten auf der Karte Ja
Technologie Nutzeridentifikation Mifare RFID 13.56 MHz
Akustisches Signal Nein
Optisches Signal Ja
Unterstützte Schließmedien Mifare DESFire, Mifare Classic, Mifare Plus, Mifare Ultralight, ISO 14443 A, Mifare DESfire EV1, Mifare DESfire EV2, Mifare DESfire EV3
Programmiermethoden Software, Masterkarte, Programmierkarte, USB-Schlüssel
Batterietyp CR2
Anzahl Batterien 2
Batterielaufzeit in Jahren Bis zu 3 Jahre
Batteriewarnung Visuell
Maximale Betriebstemperatur (Celsius) 65
Maximale Feuchtigkeit (%) 99
Minimale Betriebstemperatur (Celsius) -25

Zertifikate:

 

Patentschutz Ja
VdS 2156:2 Klassifikation BZ+
IP-Klasse IP65
EN 179:2008 Klassifikation Für die Verwendung in Fluchtwegen gemäß EN179 geeignet
EN 1125:2008 Klassifikation Für die Verwendung in Fluchtwegen gemäß EN1125 geeignet

 

 

Konfigurationsmöglichkeiten:

 

Färbung Oberfläche Nickel-matt
Färbung Außenknauf Edelstahl, Schwarz-hochglanz, Weiß-hochglanz, Messing
Färbung Innenknauf Nickel-matt, Schwarz-hochglanz, Weiß-hochglanz, Messing
Stromart Batterie
Speicherkapazität Ereignisse im Gerät 2000
RFID-Verschlüsselung AES-128 Bit, Crypto-1, ISO 14443A
Datenverschlüsselung XSALSA20-256 Bit, Curve 25519-256 Bit, Poly 1305-128 Bit
Betriebstemperatur (Celsius) -25° Bis 65°

 

 

Verwendungszweck:

  • Serverschränke

AB Grundlänge (A)30mm erhältlich

 

Technische Besonderheiten:

 

Feuerfest 90 Minuten
Wasserabweisend Ja
Patentschutz Ja
Korrosionsschutz Ja
Bohrschutz Ja
Ziehschutz Ja
Kommunikationstechnologie NFC, BLE 5.0
Eigenständige Funktion Stand-alone Anwendung Ja
Daten auf der Karte Ja
Technologie Nutzeridentifikation Mifare RFID 13.56 MHz
Akustisches Signal Nein
Optisches Signal Ja
Unterstützte Schließmedien Mifare DESFire, Mifare Classic, Mifare Plus, Mifare Ultralight, ISO 14443 A, Mifare DESfire EV1, Mifare DESfire EV2, Mifare DESfire EV3
Programmiermethoden Software, Masterkarte, Programmierkarte, USB-Schlüssel
Batterietyp CR2
Anzahl Batterien 2
Batterielaufzeit in Jahren Bis zu 3 Jahre
Batteriewarnung Visuell
Maximale Betriebstemperatur (Celsius) 65
Maximale Feuchtigkeit (%) 99
Minimale Betriebstemperatur (Celsius) -25

Zertifikate:

 

Patentschutz Ja
VdS 2156:2 Klassifikation BZ+
IP-Klasse IP65
EN 179:2008 Klassifikation Für die Verwendung in Fluchtwegen gemäß EN179 geeignet
EN 1125:2008 Klassifikation Für die Verwendung in Fluchtwegen gemäß EN1125 geeignet

 

 

Konfigurationsmöglichkeiten:

 

Färbung Oberfläche Nickel-matt
Färbung Außenknauf Edelstahl, Schwarz-hochglanz, Weiß-hochglanz, Messing
Färbung Innenknauf Nickel-matt, Schwarz-hochglanz, Weiß-hochglanz, Messing
Stromart Batterie
Speicherkapazität Ereignisse im Gerät 2000
RFID-Verschlüsselung AES-128 Bit, Crypto-1, ISO 14443A
Datenverschlüsselung XSALSA20-256 Bit, Curve 25519-256 Bit, Poly 1305-128 Bit
Betriebstemperatur (Celsius) -25° Bis 65°

 

Verwendungszweck:

  • Schlüsselschalter
  • Tore
  • Verteilerschränke
  • Revisionsöffnungen

AB Grundlänge (A)30mm erhältlich

 

Technische Besonderheiten:

 

Feuerfest 90 Minuten
Wasserabweisend Ja
Patentschutz Ja
Korrosionsschutz Ja
Bohrschutz Ja
Ziehschutz Ja
Kommunikationstechnologie NFC, BLE 5.0
Eigenständige Funktion Stand-alone Anwendung Ja
Daten auf der Karte Ja
Technologie Nutzeridentifikation Mifare RFID 13.56 MHz
Akustisches Signal Nein
Optisches Signal Ja
Unterstützte Schließmedien Mifare DESFire, Mifare Classic, Mifare Plus, Mifare Ultralight, ISO 14443 A, Mifare DESfire EV1, Mifare DESfire EV2, Mifare DESfire EV3
Programmiermethoden Software, Masterkarte, Programmierkarte, USB-Schlüssel
Batterietyp CR2
Anzahl Batterien 2
Batterielaufzeit in Jahren Bis zu 3 Jahre
Batteriewarnung Visuell
Maximale Betriebstemperatur (Celsius) 65
Maximale Feuchtigkeit (%) 99
Minimale Betriebstemperatur (Celsius) -25

Zertifikate:

 

Patentschutz Ja
VdS 2156:2 Klassifikation BZ+
IP-Klasse IP65
EN 179:2008 Klassifikation Für die Verwendung in Fluchtwegen gemäß EN179 geeignet
EN 1125:2008 Klassifikation Für die Verwendung in Fluchtwegen gemäß EN1125 geeignet

 

 

Konfigurationsmöglichkeiten:

 

Färbung Oberfläche Nickel-matt
Färbung Außenknauf Edelstahl, Schwarz-hochglanz, Weiß-hochglanz, Messing
Färbung Innenknauf Nickel-matt, Schwarz-hochglanz, Weiß-hochglanz, Messing
Stromart Batterie
Speicherkapazität Ereignisse im Gerät 2000
RFID-Verschlüsselung AES-128 Bit, Crypto-1, ISO 14443A
Datenverschlüsselung XSALSA20-256 Bit, Curve 25519-256 Bit, Poly 1305-128 Bit
Betriebstemperatur (Celsius) -25° Bis 65°

 

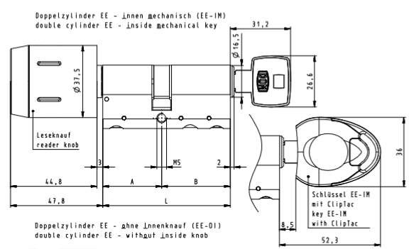
Die Verwendung des mechanischen Innenknaufs bleibt auch stromlos gewährleistet.

Durch das gewählte Zutrittsmedium (Handy, Transponder, Karte) wird der Zutritt über die elektronische Außenseite abgefragt und entsprechend gewährt oder verwehrt.

Die Zylindergrundlänge beträgt hier grundsätzlich (A)30mm / (I)30mm

Es kann jedoch auch für die Installation in einer Standard-Falztür mit bspw. 40 mm Türblattstärke 

die Kurz-Lang-Variante mit der Abmessungen (A)27,5mm / (I)35 mm verwendet werden.

 

Technische Besonderheiten:

 

Feuerfest 90 Minuten
Wasserabweisend Ja
Patentschutz Ja
Korrosionsschutz Ja
Bohrschutz Ja
Ziehschutz Ja
Kommunikationstechnologie NFC, BLE 5.0
Eigenständige Funktion Stand-alone Anwendung Ja
Daten auf der Karte Ja
Technologie Nutzeridentifikation Mifare RFID 13.56 MHz
Akustisches Signal Nein
Optisches Signal Ja
Unterstützte Schließmedien Mifare DESFire, Mifare Classic, Mifare Plus, Mifare Ultralight, ISO 14443 A, Mifare DESfire EV1, Mifare DESfire EV2, Mifare DESfire EV3
Programmiermethoden Software, Masterkarte, Programmierkarte, USB-Schlüssel
Batterietyp CR2
Anzahl Batterien 2
Batterielaufzeit in Jahren Bis zu 3 Jahre
Batteriewarnung Visuell
Maximale Betriebstemperatur (Celsius) 65
Maximale Feuchtigkeit (%) 99
Minimale Betriebstemperatur (Celsius) -25

Zertifikate:

 

Patentschutz Ja
VdS 2156:2 Klassifikation BZ+
IP-Klasse IP65
EN 179:2008 Klassifikation Für die Verwendung in Fluchtwegen gemäß EN179 geeignet
EN 1125:2008 Klassifikation Für die Verwendung in Fluchtwegen gemäß EN1125 geeignet

 

 

Konfigurationsmöglichkeiten:

 

Färbung Oberfläche Nickel-matt
Färbung Außenknauf Edelstahl, Schwarz-hochglanz, Weiß-hochglanz, Messing
Färbung Innenknauf Nickel-matt, Schwarz-hochglanz, Weiß-hochglanz, Messing
Stromart Batterie
Speicherkapazität Ereignisse im Gerät 2000
RFID-Verschlüsselung AES-128 Bit, Crypto-1, ISO 14443A
Datenverschlüsselung XSALSA20-256 Bit, Curve 25519-256 Bit, Poly 1305-128 Bit
Betriebstemperatur (Celsius) -25° Bis 65°

 

Indem für den Zugang von innen und den Zugang von außen unterschiedliche Berechtigungen vergeben werden, können Personenströme gezielt durch ein Objekt geführt werden.

Der Innen- sowie der Außenknauf sind frei drehbar, sodass auf beiden Seiten eine Identifikation über den Transponder benötigt wird, um die Tür zu öffnen oder zu schließen.

Technische Besonderheiten:

 

Feuerfest 90 Minuten
Wasserabweisend Ja
Patentschutz Ja
Korrosionsschutz Ja
Bohrschutz Ja
Ziehschutz Ja
Kommunikationstechnologie NFC, BLE 5.0
Eigenständige Funktion Stand-alone Anwendung Ja
Daten auf der Karte Ja
Technologie Nutzeridentifikation Mifare RFID 13.56 MHz
Akustisches Signal Nein
Optisches Signal Ja
Unterstützte Schließmedien Mifare DESFire, Mifare Classic, Mifare Plus, Mifare Ultralight, ISO 14443 A, Mifare DESfire EV1, Mifare DESfire EV2, Mifare DESfire EV3
Programmiermethoden Software, Masterkarte, Programmierkarte, USB-Schlüssel
Batterietyp CR2
Anzahl Batterien 2
Batterielaufzeit in Jahren Bis zu 3 Jahre
Batteriewarnung Visuell
Maximale Betriebstemperatur (Celsius) 65
Maximale Feuchtigkeit (%) 99
Minimale Betriebstemperatur (Celsius) -25

Zertifikate:

 

Patentschutz Ja
VdS 2156:2 Klassifikation BZ+
IP-Klasse IP65
EN 179:2008 Klassifikation Für die Verwendung in Fluchtwegen gemäß EN179 geeignet
EN 1125:2008 Klassifikation Für die Verwendung in Fluchtwegen gemäß EN1125 geeignet

 

 

Konfigurationsmöglichkeiten:

 

Färbung Oberfläche Nickel-matt
Färbung Außenknauf Edelstahl, Schwarz-hochglanz, Weiß-hochglanz, Messing
Färbung Innenknauf Nickel-matt, Schwarz-hochglanz, Weiß-hochglanz, Messing
Stromart Batterie
Speicherkapazität Ereignisse im Gerät 2000
RFID-Verschlüsselung AES-128 Bit, Crypto-1, ISO 14443A
Datenverschlüsselung XSALSA20-256 Bit, Curve 25519-256 Bit, Poly 1305-128 Bit
Betriebstemperatur (Celsius) -25° Bis 65°

 

Erfüllt die gleichen technischen Besonderheiten wie der einseitig lesende Doppelzylinder, ist jedoch speziell für Glastüren ausgelegt.

Die Variable, sehr hochwertige Optik, verleiht der Glastür einen echten Mehrwert.

Verfügbar ab der Baulänge (A)30mmm / (I)10mm

 

Technische Besonderheiten:

 

Feuerfest 90 Minuten
Wasserabweisend Ja
Patentschutz Ja
Korrosionsschutz Ja
Bohrschutz Ja
Ziehschutz Ja
Kommunikationstechnologie NFC, BLE 5.0
Eigenständige Funktion Stand-alone Anwendung Ja
Daten auf der Karte Ja
Technologie Nutzeridentifikation Mifare RFID 13.56 MHz
Akustisches Signal Nein
Optisches Signal Ja
Unterstützte Schließmedien Mifare DESFire, Mifare Classic, Mifare Plus, Mifare Ultralight, ISO 14443 A, Mifare DESfire EV1, Mifare DESfire EV2, Mifare DESfire EV3
Programmiermethoden Software, Masterkarte, Programmierkarte, USB-Schlüssel
Batterietyp CR2
Anzahl Batterien 2
Batterielaufzeit in Jahren Bis zu 3 Jahre
Batteriewarnung Visuell
Maximale Betriebstemperatur (Celsius) 65
Maximale Feuchtigkeit (%) 99
Minimale Betriebstemperatur (Celsius) -25

Zertifikate:

 

Patentschutz Ja
VdS 2156:2 Klassifikation BZ+
IP-Klasse IP65
EN 179:2008 Klassifikation Für die Verwendung in Fluchtwegen gemäß EN179 geeignet
EN 1125:2008 Klassifikation Für die Verwendung in Fluchtwegen gemäß EN1125 geeignet

 

 

Konfigurationsmöglichkeiten:

 

Färbung Oberfläche Nickel-matt
Färbung Außenknauf Edelstahl, Schwarz-hochglanz, Weiß-hochglanz, Messing
Färbung Innenknauf Nickel-matt, Schwarz-hochglanz, Weiß-hochglanz, Messing
Stromart Batterie
Speicherkapazität Ereignisse im Gerät 2000
RFID-Verschlüsselung AES-128 Bit, Crypto-1, ISO 14443A
Datenverschlüsselung XSALSA20-256 Bit, Curve 25519-256 Bit, Poly 1305-128 Bit
Betriebstemperatur (Celsius) -25° Bis 65°

 

Verwendungszweck:

  • Briefkästen oder Spinde
  •  

Technische Besonderheiten:

 

Feuerfest 90 Minuten
Wasserabweisend Ja
Patentschutz Ja
Korrosionsschutz Ja
Bohrschutz Ja
Ziehschutz Ja
Kommunikationstechnologie NFC, BLE 5.0
Eigenständige Funktion Stand-alone Anwendung Ja
Daten auf der Karte Ja
Technologie Nutzeridentifikation Mifare RFID 13.56 MHz
Akustisches Signal Nein
Optisches Signal Ja
Unterstützte Schließmedien Mifare DESFire, Mifare Classic, Mifare Plus, Mifare Ultralight, ISO 14443 A, Mifare DESfire EV1, Mifare DESfire EV2, Mifare DESfire EV3
Programmiermethoden Software, Masterkarte, Programmierkarte, USB-Schlüssel
Batterietyp CR2
Anzahl Batterien 2
Batterielaufzeit in Jahren Bis zu 3 Jahre
Batteriewarnung Visuell
Maximale Betriebstemperatur (Celsius) 65
Maximale Feuchtigkeit (%) 99
Minimale Betriebstemperatur (Celsius) -25

Zertifikate:

 

Patentschutz Ja
VdS 2156:2 Klassifikation BZ+
IP-Klasse IP65
EN 179:2008 Klassifikation Für die Verwendung in Fluchtwegen gemäß EN179 geeignet
EN 1125:2008 Klassifikation Für die Verwendung in Fluchtwegen gemäß EN1125 geeignet

 

 

Konfigurationsmöglichkeiten:

 

Färbung Oberfläche Nickel-matt
Färbung Außenknauf Edelstahl, Schwarz-hochglanz, Weiß-hochglanz, Messing
Färbung Innenknauf Nickel-matt, Schwarz-hochglanz, Weiß-hochglanz, Messing
Stromart Batterie
Speicherkapazität Ereignisse im Gerät 2000
RFID-Verschlüsselung AES-128 Bit, Crypto-1, ISO 14443A
Datenverschlüsselung XSALSA20-256 Bit, Curve 25519-256 Bit, Poly 1305-128 Bit
Betriebstemperatur (Celsius) -25° Bis 65°

 

Verwendungszweck:

  • Container oder Abgezäunte Zutritte

 

Technische Besonderheiten:

 

Feuerfest 90 Minuten
Wasserabweisend Ja
Patentschutz Ja
Korrosionsschutz Ja
Bohrschutz Ja
Ziehschutz Ja
Kommunikationstechnologie NFC, BLE 5.0
Eigenständige Funktion Stand-alone Anwendung Ja
Daten auf der Karte Ja
Technologie Nutzeridentifikation Mifare RFID 13.56 MHz
Akustisches Signal Nein
Optisches Signal Ja
Unterstützte Schließmedien Mifare DESFire, Mifare Classic, Mifare Plus, Mifare Ultralight, ISO 14443 A, Mifare DESfire EV1, Mifare DESfire EV2, Mifare DESfire EV3
Programmiermethoden Software, Masterkarte, Programmierkarte, USB-Schlüssel
Batterietyp CR2
Anzahl Batterien 2
Batterielaufzeit in Jahren Bis zu 3 Jahre
Batteriewarnung Visuell
Maximale Betriebstemperatur (Celsius) 65
Maximale Feuchtigkeit (%) 99
Minimale Betriebstemperatur (Celsius) -25

Zertifikate:

 

Patentschutz Ja
VdS 2156:2 Klassifikation BZ+
IP-Klasse IP65
EN 179:2008 Klassifikation Für die Verwendung in Fluchtwegen gemäß EN179 geeignet
EN 1125:2008 Klassifikation Für die Verwendung in Fluchtwegen gemäß EN1125 geeignet

 

 

Konfigurationsmöglichkeiten:

 

Färbung Oberfläche Nickel-matt
Färbung Außenknauf Edelstahl, Schwarz-hochglanz, Weiß-hochglanz, Messing
Färbung Innenknauf Nickel-matt, Schwarz-hochglanz, Weiß-hochglanz, Messing
Stromart Batterie
Speicherkapazität Ereignisse im Gerät 2000
RFID-Verschlüsselung AES-128 Bit, Crypto-1, ISO 14443A
Datenverschlüsselung XSALSA20-256 Bit, Curve 25519-256 Bit, Poly 1305-128 Bit
Betriebstemperatur (Celsius) -25° Bis 65°

 

Die Zylinder enthalten ein Merkmal, das sicherstellt, dass die Schließnase immer in einen Winkelbereich +/- 30° um die 6-Uhr-Position zurückgestellt wird und die Nutzung der Anti-Panik-Funktion jederzeit möglich ist.

Die Emergency Exit Ausführungen nach DIN EN 179 und EN 1125 des Pro sind die Lösung für Flucht- und Rettungswege.

Für Emergency Exists, die von innen verschlossen werden können müssen.

 

Technische Besonderheiten:

 

Feuerfest 90 Minuten
Wasserabweisend Ja
Patentschutz Ja
Korrosionsschutz Ja
Bohrschutz Ja
Ziehschutz Ja
Kommunikationstechnologie NFC, BLE 5.0
Eigenständige Funktion Stand-alone Anwendung Ja
Daten auf der Karte Ja
Technologie Nutzeridentifikation Mifare RFID 13.56 MHz
Akustisches Signal Nein
Optisches Signal Ja
Unterstützte Schließmedien Mifare DESFire, Mifare Classic, Mifare Plus, Mifare Ultralight, ISO 14443 A, Mifare DESfire EV1, Mifare DESfire EV2, Mifare DESfire EV3
Programmiermethoden Software, Masterkarte, Programmierkarte, USB-Schlüssel
Batterietyp CR2
Anzahl Batterien 2
Batterielaufzeit in Jahren Bis zu 3 Jahre
Batteriewarnung Visuell
Maximale Betriebstemperatur (Celsius) 65
Maximale Feuchtigkeit (%) 99
Minimale Betriebstemperatur (Celsius) -25

Zertifikate:

 

Patentschutz Ja
VdS 2156:2 Klassifikation BZ+
IP-Klasse IP65
EN 179:2008 Klassifikation Für die Verwendung in Fluchtwegen gemäß EN179 geeignet
EN 1125:2008 Klassifikation Für die Verwendung in Fluchtwegen gemäß EN1125 geeignet

 

 

Konfigurationsmöglichkeiten:

 

Färbung Oberfläche Nickel-matt
Färbung Außenknauf Edelstahl, Schwarz-hochglanz, Weiß-hochglanz, Messing
Färbung Innenknauf Nickel-matt, Schwarz-hochglanz, Weiß-hochglanz, Messing
Stromart Batterie
Speicherkapazität Ereignisse im Gerät 2000
RFID-Verschlüsselung AES-128 Bit, Crypto-1, ISO 14443A
Datenverschlüsselung XSALSA20-256 Bit, Curve 25519-256 Bit, Poly 1305-128 Bit
Betriebstemperatur (Celsius) -25° Bis 65°

 

Verwendungsbeispiel:

  • Emergency Exists mit Panikstange

Die Zylinder enthalten ein Merkmal, das sicherstellt, dass die Schließnase immer in einen Winkelbereich +/- 30° um die 6-Uhr-Position zurückgestellt wird und die Nutzung der Anti-Panik-Funktion jederzeit möglich ist.

Die Emergency Exit Ausführungen nach DIN EN 179 und EN 1125 des Pro sind die Lösung für Flucht- und Rettungswege.

 

Technische Besonderheiten:

 

Feuerfest 90 Minuten
Wasserabweisend Ja
Patentschutz Ja
Korrosionsschutz Ja
Bohrschutz Ja
Ziehschutz Ja
Kommunikationstechnologie NFC, BLE 5.0
Eigenständige Funktion Stand-alone Anwendung Ja
Daten auf der Karte Ja
Technologie Nutzeridentifikation Mifare RFID 13.56 MHz
Akustisches Signal Nein
Optisches Signal Ja
Unterstützte Schließmedien Mifare DESFire, Mifare Classic, Mifare Plus, Mifare Ultralight, ISO 14443 A, Mifare DESfire EV1, Mifare DESfire EV2, Mifare DESfire EV3
Programmiermethoden Software, Masterkarte, Programmierkarte, USB-Schlüssel
Batterietyp CR2
Anzahl Batterien 2
Batterielaufzeit in Jahren Bis zu 3 Jahre
Batteriewarnung Visuell
Maximale Betriebstemperatur (Celsius) 65
Maximale Feuchtigkeit (%) 99
Minimale Betriebstemperatur (Celsius) -25

Zertifikate:

 

Patentschutz Ja
VdS 2156:2 Klassifikation BZ+
IP-Klasse IP65
EN 179:2008 Klassifikation Für die Verwendung in Fluchtwegen gemäß EN179 geeignet
EN 1125:2008 Klassifikation Für die Verwendung in Fluchtwegen gemäß EN1125 geeignet

 

 

Konfigurationsmöglichkeiten:

 

Färbung Oberfläche Nickel-matt
Färbung Außenknauf Edelstahl, Schwarz-hochglanz, Weiß-hochglanz, Messing
Färbung Innenknauf Nickel-matt, Schwarz-hochglanz, Weiß-hochglanz, Messing
Stromart Batterie
Speicherkapazität Ereignisse im Gerät 2000
RFID-Verschlüsselung AES-128 Bit, Crypto-1, ISO 14443A
Datenverschlüsselung XSALSA20-256 Bit, Curve 25519-256 Bit, Poly 1305-128 Bit
Betriebstemperatur (Celsius) -25° Bis 65°

 

Verwendungsbeispiel:

Emergency Exits mit Panikstange, Tür von innen verriegelbar

Die Zylinder enthalten ein Merkmal, das sicherstellt, dass die Schließnase immer in einen Winkelbereich +/- 30° um die 6-Uhr-Position zurückgestellt wird und die Nutzung der Anti-Panik-Funktion jederzeit möglich ist.

Die Emergency Exit Ausführungen nach DIN EN 179 und EN 1125 des Pro sind die Lösung für Flucht- und Rettungswege.

 

Technische Besonderheiten:

 

Feuerfest 90 Minuten
Wasserabweisend Ja
Patentschutz Ja
Korrosionsschutz Ja
Bohrschutz Ja
Ziehschutz Ja
Kommunikationstechnologie NFC, BLE 5.0
Eigenständige Funktion Stand-alone Anwendung Ja
Daten auf der Karte Ja
Technologie Nutzeridentifikation Mifare RFID 13.56 MHz
Akustisches Signal Nein
Optisches Signal Ja
Unterstützte Schließmedien Mifare DESFire, Mifare Classic, Mifare Plus, Mifare Ultralight, ISO 14443 A, Mifare DESfire EV1, Mifare DESfire EV2, Mifare DESfire EV3
Programmiermethoden Software, Masterkarte, Programmierkarte, USB-Schlüssel
Batterietyp CR2
Anzahl Batterien 2
Batterielaufzeit in Jahren Bis zu 3 Jahre
Batteriewarnung Visuell
Maximale Betriebstemperatur (Celsius) 65
Maximale Feuchtigkeit (%) 99
Minimale Betriebstemperatur (Celsius) -25

Zertifikate:

 

Patentschutz Ja
VdS 2156:2 Klassifikation BZ+
IP-Klasse IP65
EN 179:2008 Klassifikation Für die Verwendung in Fluchtwegen gemäß EN179 geeignet
EN 1125:2008 Klassifikation Für die Verwendung in Fluchtwegen gemäß EN1125 geeignet

 

 

Konfigurationsmöglichkeiten:

 

Färbung Oberfläche Nickel-matt
Färbung Außenknauf Edelstahl, Schwarz-hochglanz, Weiß-hochglanz, Messing
Färbung Innenknauf Nickel-matt, Schwarz-hochglanz, Weiß-hochglanz, Messing
Stromart Batterie
Speicherkapazität Ereignisse im Gerät 2000
RFID-Verschlüsselung AES-128 Bit, Crypto-1, ISO 14443A
Datenverschlüsselung XSALSA20-256 Bit, Curve 25519-256 Bit, Poly 1305-128 Bit
Betriebstemperatur (Celsius) -25° Bis 65°

 

Schließanlagen Angebotsservice

Egal ob groß oder klein, komplex oder einfach... bei uns erhalten Sie ein individuelles, kostenloses und unverbindliches Angebot für Ihre persönliche Schließanlage.

Dabei spielt es keine Rolle ob es eine BKS-, DOM-, Evva-, Winkhaus-, CES-, dormakaba-, IKON- oder KESO-Anlage sein soll.

In der Regel erhalten Sie innerhalb von 48 Stunden ein Angebot mit exakt, auf Ihre Wünsche, abgestimmten Schließplan. Auch Gesamtkosten/Rechnungsbetrag und Lieferzeit teilen wir Ihnen bereits bei Angebotserstellung mit.

Bis zur finalen Auftragserteilung nehmen wir außerdem jederzeit Rücksicht auf eventuelle Änderungswünsche.

Je nach Kundenwunsch variiert das Sicherheitsbedürfnis und auch die Preisvorstellung...dafür bietet jeder Hersteller verschiedene Systeme/Modelle/Serien.     

Gern beraten wir Sie auch schriftlich oder telefonisch von 09:00 Uhr - 16:00 Uhr um für Sie das Optimale System zu finden.             

Mail-Adresse: d.hampel.74@web.de             Tel.: 03493 / 3498362                                                         

Zylindertyp

Halbzylinder Optionen



Knauffärbung

Zertifizierung (CE)

Kernziehschutz Verlängerung +8,5mm je Seite

Elektronischer Schließzylinder DOM Eniq Pro V2

 

ENiQ® PRO V2 ERÖFFNET IHNEN GANZ NEUE WELTEN

Die digitalen Knaufzylinder lassen sich als Zugangssystem in nahezu alle Türen einbauen – ein zuverlässiges und sicheres Produkt mit Top-Qualität, das Ihnen bequemen Zugang zu all Ihren Räumen verschafft.
Der neue digitale Schliesszylinder ENiQ® Pro V2 eröffnet Ihnen eine neue Dimension der Zutrittsorganisation – Flexibilität im Zutrittsmanagement ist dabei ein maßgeblicher Vorteil. Gibt es Änderungen in Ihrer Organisation? Dann passt sich der ENiQ® Pro V2 Ihren Anforderungen an. 

 

Eigenschaften & Vorteile:

  • Serienmäßige Funktionalitäten (IP65, T90, Online on board, VDS BZ+, SKG***, Office Funktion)
  • Plug&Play - Service nach Mass - Flexible Längenanpassung
  • Variantenvielfalt: 12 Bauformen für Zuverlässigkeit, Flexibilität für nahezu jede Einbausituation
  • Desgin - ansprechende und schöne Optik (Knäufe in Edelstahl, Weiß, Schwarz oder Messing Optik)
  • Flexibilität im Zutrittsmanagement, Investionssicherheit bei Transponderverlust durch sofortige Umprogrammierung, einfache Programmierung der Nutzerrechte, Betriebsarten Offline, Online, Intelligent
  • Wartungsarm, lange Nutzungsdauer der Batterie, revolutionäre Kupplung, einfache Montage ohne Verkabelung
  • NFC technology allows for fast reading performance and high-end security encryption
  • NFC technology with its reliable low battery consumption in combination with DOM high-quality locking devices offers convenient long term use

 

 

Technische Besonderheiten:

 

Feuerfest 90 Minuten
Wasserabweisend Ja
Patentschutz Ja
Korrosionsschutz Ja
Bohrschutz Ja
Ziehschutz Ja
Kommunikationstechnologie NFC, BLE 5.0
Eigenständige Funktion Stand-alone Anwendung Ja
Daten auf der Karte Ja
Technologie Nutzeridentifikation Mifare RFID 13.56 MHz
Akustisches Signal Nein
Optisches Signal Ja
Unterstützte Schließmedien Mifare DESFire, Mifare Classic, Mifare Plus, Mifare Ultralight, ISO 14443 A, Mifare DESfire EV1, Mifare DESfire EV2, Mifare DESfire EV3
Programmiermethoden Software, Masterkarte, Programmierkarte, USB-Schlüssel
Batterietyp CR2
Anzahl Batterien 2
Batterielaufzeit in Jahren Bis zu 3 Jahre
Batteriewarnung Visuell
Maximale Betriebstemperatur (Celsius) 65
Maximale Feuchtigkeit (%) 99
Minimale Betriebstemperatur (Celsius) -25