• Express Lieferung
  • Qualität made in Germany
  • preiswertes Sortiment
  • 03493 / 3498362
  • d.hampel.74@web.de
  1. Startseite
  2. Sicherheitstechnik
  3. Schließbleche
  4. Schließblech 9M77
Art-Nr.IKON 9M77
MarkeIKON

Schließblech 9M77

IKON
Lieferzeit: ca. 8 - 14 Arbeitstage **
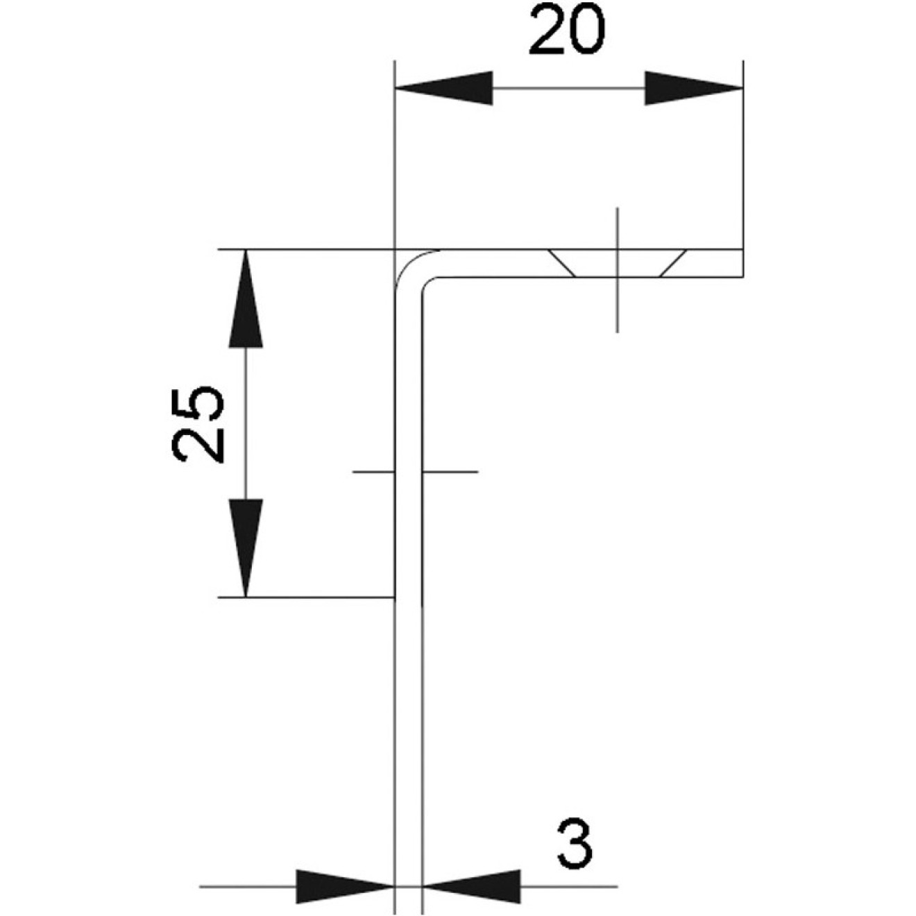
9M77 Winkel-Sicherheitsschließblech ohne Verankerung für überfälzte Türen Winkelkante abgerundet

Schließanlagen Angebotsservice

Egal ob groß oder klein, komplex oder einfach... bei uns erhalten Sie ein individuelles, kostenloses und unverbindliches Angebot für Ihre persönliche Schließanlage.

Dabei spielt es keine Rolle ob es eine BKS-, DOM-, Evva-, Winkhaus-, CES-, dormakaba-, IKON- oder KESO-Anlage sein soll.

In der Regel erhalten Sie innerhalb von 48 Stunden ein Angebot mit exakt, auf Ihre Wünsche, abgestimmten Schließplan. Auch Gesamtkosten/Rechnungsbetrag und Lieferzeit teilen wir Ihnen bereits bei Angebotserstellung mit.

Bis zur finalen Auftragserteilung nehmen wir außerdem jederzeit Rücksicht auf eventuelle Änderungswünsche.

Je nach Kundenwunsch variiert das Sicherheitsbedürfnis und auch die Preisvorstellung...dafür bietet jeder Hersteller verschiedene Systeme/Modelle/Serien.     

Gern beraten wir Sie auch schriftlich oder telefonisch von 09:00 Uhr - 16:00 Uhr um für Sie das Optimale System zu finden.             

Mail-Adresse: d.hampel.74@web.de             Tel.: 03493 / 3498362                                                         

9M77 Winkel-Sicherheitsschließblech ohne Verankerung für überfälzte Türen Winkelkante abgerundet   Produktbeschreibung
  • Für überfälzte Türen geeignet
  • Gesamtlänge Schließblech 300mm
  • Abmessung Riegelseite = 20mm
  • Abmessung Schließblechstärke = 3mm
  • In der Abmessung 300x20x25mm erhältlich
  • Weitere Oberflächen limba (OF=LIMBA), weiss (OF=WEISS), braun (OF=BRAUN)
  • Mit fünf Anschraublochungen
  • Material: Stahl
  Lieferumfang
  • 1 Sicherheitsschließblech mit Befestigungsschrauben

Kunden kauften auch folgende Produkte

Wir empfehlen auch

...