• Express Lieferung
  • Qualität made in Germany
  • preiswertes Sortiment
  • 03493 / 3498362
  • d.hampel.74@web.de
  1. Startseite
  2. Sicherheitstechnik
  3. Schließbleche
  4. Schließblech 9M51
Art-Nr.IKON 9M51
MarkeIKON

Schließblech 9M51

IKON
Lieferzeit: ca. 8 - 14 Arbeitstage **
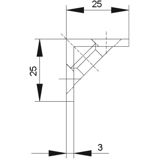
9M51 Winkel-Sicherheitsschließblech für überfälzte Türen Mit zwei Ankern für Riegelschlösser

Schließanlagen Angebotsservice

Egal ob groß oder klein, komplex oder einfach... bei uns erhalten Sie ein individuelles, kostenloses und unverbindliches Angebot für Ihre persönliche Schließanlage.

Dabei spielt es keine Rolle ob es eine BKS-, DOM-, Evva-, Winkhaus-, CES-, dormakaba-, IKON- oder KESO-Anlage sein soll.

In der Regel erhalten Sie innerhalb von 48 Stunden ein Angebot mit exakt, auf Ihre Wünsche, abgestimmten Schließplan. Auch Gesamtkosten/Rechnungsbetrag und Lieferzeit teilen wir Ihnen bereits bei Angebotserstellung mit.

Bis zur finalen Auftragserteilung nehmen wir außerdem jederzeit Rücksicht auf eventuelle Änderungswünsche.

Je nach Kundenwunsch variiert das Sicherheitsbedürfnis und auch die Preisvorstellung...dafür bietet jeder Hersteller verschiedene Systeme/Modelle/Serien.     

Gern beraten wir Sie auch schriftlich oder telefonisch von 09:00 Uhr - 16:00 Uhr um für Sie das Optimale System zu finden.             

Mail-Adresse: d.hampel.74@web.de             Tel.: 03493 / 3498362                                                         

9M51 Winkel-Sicherheitsschließblech für überfälzte Türen Mit zwei Ankern für Riegelschlösser   Produktbeschreibung
  • Für überfälzte Türen geeignet
  • Gesamtlänge Schließblech 150mm
  • Abmessung Riegelseite = 25mm
  • Abmessung Schließblechstärke = 3mm
  • In der Abmessung 150x25x25mm erhältlich
  • Weitere Oberflächen limba (OF=LIMBA), weiss (OF=WEISS), braun (OF=BRAUN)
  • Mit vier Anschraublochungen
  • Material: Stahl
  Lieferumfang
  • 1 Sicherheitsschließblech mit Befestigungsschrauben
  • 2 Maueranker mit Kunststoffverschlussstopfen

Kunden kauften auch folgende Produkte

Wir empfehlen auch

...